德協通風提供離心風機、羅茨風機、鍋爐引風機、消防排煙風機等工業風機的廠家價格和解決方案。
4-72-A中低壓通風(排塵)風機,一般用于工廠或較大建筑物的通風換氣,它既可輸入氣體,也可輸出氣體。它輸送的氣體為空氣或其他不自燃、不揮發、對人體無害、對鋼鐵材料無腐之氣體。氣體內不得含粘性物質,所含塵土及硬質顆粒物不大于150mg/m3。氣體溫度不得超過80°C。
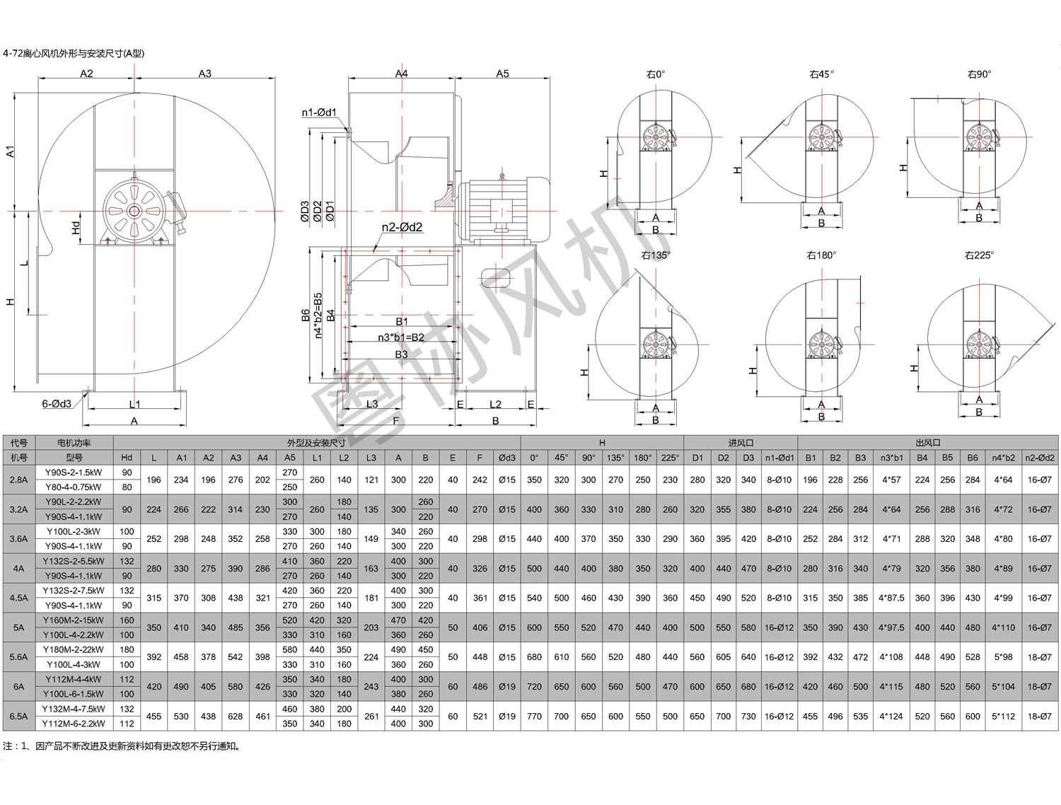
4-72A型離心風機,一般用于工廠或較大建筑物的通風換氣,它既可輸入氣體,也可輸出氣體。它輸送的氣體為空氣或其他不自燃、不揮發、對人體無害、對鋼鐵材料無腐蝕之氣體。氣體內不得含粘性物質,所含塵土及硬質顆粒物不大于150mg/m3。氣體溫度不得超過80°C。
離心風機的型式
離心風機可制成右旋和左旋兩種型式。從電機一端正視,葉輪順時針旋轉者稱右旋風機,以“右”表示,反之稱左旋風機,以“左”表示。
離心風機的出口位置,以機殼的出風口角度表示。4-72A型離心風機№3~6在出廠時均做成一種型式:出風口位置調整范圍0°~255°,間隔是45°,傳動方式為A式傳動;№7~12的出風口位置制成固定的三種:0°、90°、180°,不能調整;№7~12的傳動方式為C式傳動。訂貨時需注明。
離心風機的結構
№3~6風機主要由葉輪、機殼、進風口等部分配直聯電機組成;№7~12除具有上述部分外,還有傳動部分等。
(1)離心風機葉輪:由10個后傾圓弧薄板型葉片、曲線型前盤和平板后盤組成,均用鋼板制造,并經動、靜平衡校正和超速運轉實驗,空氣性能良好,效率高,運轉平穩可靠。
(2)離心風機機殼:其中№3~12機殼制成整體;№14~20的機殼制成二開式,沿中分水平面分為兩半外,用螺栓連接。
(3)離心風機進風口:制成整體結構,用螺栓固定于風機一側,與軸向平行的截面為曲線形,它能使氣流順暢時入葉輪,且損失較小。
(4)傳動:由主軸、軸承箱、流動軸承、皮帶輪組成。





